轴承专区
Bearings Center
RSTO 5 TN轴承-SKF RSTO 5 TN轴承尺寸、图纸、价格
SKF RSTO 5 TN轴承
| 产品名称: | RSTO 5 TN轴承 | 品牌: | SKF |
|---|---|---|---|
| 类型: | SKF轴承 > 滚动轴承 > 滚轮轴承 | ||
| 描述: | RSTO 5 TN轴承是【SKF轴承 > 滚动轴承 > 滚轮轴承】的型号,主要用在燃汽轮机、罗茨鼓风机、变速器、建筑机械、印刷机械、石油钻机转环、电机厂、医药设备、轻工机械、码垛机器人等各大领域 | ||
电话/微信:138-8949-5179
SKF RSTO 5 TN轴承详细信息
RSTO 5 TN轴承是【SKF轴承 > 滚动轴承 > 滚轮轴承】的型号,主要用在燃汽轮机、罗茨鼓风机、变速器、建筑机械、印刷机械、石油钻机转环、电机厂、医药设备、轻工机械、码垛机器人等各大领域。
SKF RSTO 5 TN轴承详细参数
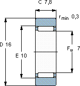
| 不带法兰圈支承滚子,无内圈 | |||||||||||
| 尺寸 | 基本负荷额定值 | 疲劳限值 | 最大径向负荷 | 限制速度 | 体积 | 型号 | |||||
| 动态 | 静态 | 动态 | 静态 | ||||||||
| D | Fw | C | C | C0 | Pu | Fr | F0r | ||||
| mm | kN | kN | kN | r/min | kg | - | |||||
| 16 | 7 | 7,8 | 2,51 | 2,5 | 0,27 | 3,55 | 5 | 8000 | 0,0085 | RSTO 5 TN | |
SKF RSTO 5 TN轴承尺寸图纸

