轴承专区
Bearings Center
6214/HC5C3轴承-SKF 6214/HC5C3轴承尺寸、图纸、价格
SKF 6214/HC5C3轴承
| 产品名称: | 6214/HC5C3轴承 | 品牌: | SKF |
|---|---|---|---|
| 类型: | SKF轴承 > 滚动轴承 > 工程产品 | ||
| 描述: | 6214/HC5C3轴承是【SKF轴承 > 滚动轴承 > 工程产品】的型号,主要用在飞机喷气式发动机、燃汽轮机、中型及大型电动机、后轮、轧钢机辊道子、石油钻机、燃机、破碎、解体机、钢包回转台等各大领域 | ||
电话/微信:138-8949-5179
SKF 6214/HC5C3轴承详细信息
6214/HC5C3轴承是【SKF轴承 > 滚动轴承 > 工程产品】的型号,主要用在飞机喷气式发动机、燃汽轮机、中型及大型电动机、后轮、轧钢机辊道子、石油钻机、燃机、破碎、解体机、钢包回转台等各大领域。
SKF 6214/HC5C3轴承详细参数
| 深沟球轴承, 单列陶瓷混合轴承, 无密封件 | ||||||||||
| 主要数据尺寸 | 基本负荷额定值 | 疲劳负荷限值 | 额定速度 | 体积 | 型号 | |||||
| 动态 | 静态 | 参照速度 | 限制速度 | |||||||
| d | D | B | C | C0 | Pu | |||||
| mm | kN | kN | r/min | kg | - | |||||
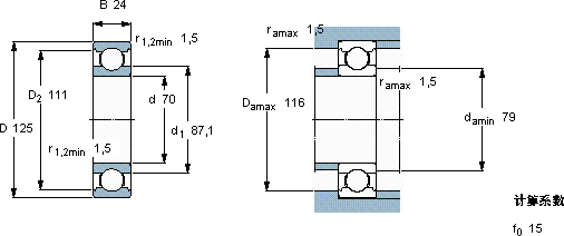
| 70 | 125 | 24 | 63,7 | 45 | 1,9 | 15000 | 8500 | 0,99 | 6214/HC5C3 | |
SKF 6214/HC5C3轴承尺寸图纸

