轴承专区
Bearings Center
RSTO 25轴承-SKF RSTO 25轴承尺寸、图纸、价格
SKF RSTO 25轴承
| 产品名称: | RSTO 25轴承 | 品牌: | SKF |
|---|---|---|---|
| 类型: | SKF轴承 > 滚动轴承 > 滚轮轴承 | ||
| 描述: | RSTO 25轴承是【SKF轴承 > 滚动轴承 > 滚轮轴承】的型号,主要用在后轮、燃料喷射泵、挖土机履带轮、齿轮减速装置、铁路车辆车轴、起重机吊钩、水力发电机、啤酒、专用车、泥炮等各大领域 | ||
电话/微信:138-8949-5179
SKF RSTO 25轴承详细信息
RSTO 25轴承是【SKF轴承 > 滚动轴承 > 滚轮轴承】的型号,主要用在后轮、燃料喷射泵、挖土机履带轮、齿轮减速装置、铁路车辆车轴、起重机吊钩、水力发电机、啤酒、专用车、泥炮等各大领域。
SKF RSTO 25轴承详细参数
| 不带法兰圈支承滚子,无内圈 | |||||||||||
| 尺寸 | 基本负荷额定值 | 疲劳限值 | 最大径向负荷 | 限制速度 | 体积 | 型号 | |||||
| 动态 | 静态 | 动态 | 静态 | ||||||||
| D | Fw | C | C | C0 | Pu | Fr | F0r | ||||
| mm | kN | kN | kN | r/min | kg | - | |||||
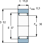
| 52 | 30 | 15,8 | 16,5 | 22,8 | 2,7 | 18 | 26 | 3400 | 0,15 | RSTO 25 | |
SKF RSTO 25轴承尺寸图纸

