轴承专区
Bearings Center
ICOS-D1B04-TN9 *轴承-SKF ICOS-D1B04-TN9 *轴承尺寸、图纸、价格
SKF ICOS-D1B04-TN9 *轴承
| 产品名称: | ICOS-D1B04-TN9 *轴承 | 品牌: | SKF |
|---|---|---|---|
| 类型: | SKF轴承 > 滚动轴承 > 深沟球轴承 | ||
| 描述: | ICOS-D1B04-TN9 *轴承是【SKF轴承 > 滚动轴承 > 深沟球轴承】的型号,主要用在各种产业机械、各类变速器、挖土机履带轮、铁路车辆、破碎机、机床等的变速装置、发电厂、精细化工机械、工程船舶、塔式车库等各大领域 | ||
电话/微信:138-8949-5179
SKF ICOS-D1B04-TN9 *轴承详细信息
ICOS-D1B04-TN9 *轴承是【SKF轴承 > 滚动轴承 > 深沟球轴承】的型号,主要用在各种产业机械、各类变速器、挖土机履带轮、铁路车辆、破碎机、机床等的变速装置、发电厂、精细化工机械、工程船舶、塔式车库等各大领域。
SKF ICOS-D1B04-TN9 *轴承详细参数
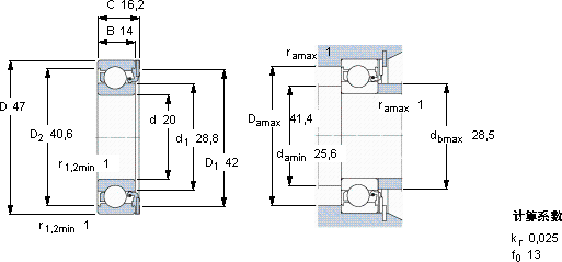
| 深沟球轴承, ICOS油封轴承单元 | ||||||||||
| 主要数据尺寸 | 基本负荷额定值 | 疲劳负荷限值 | 限制速度 | 体积 | 型号 | |||||
| 动态 | 静态 | |||||||||
| d | D | B | C | C | C0 | Pu | * - SKF Explorer 轴承 | |||
| mm | kN | kN | r/min | kg | - | |||||
| 20 | 47 | 14 | 16,2 | 13,5 | 6,55 | 0,28 | 9300 | 0,11 | ICOS-D1B04-TN9 * | |
SKF ICOS-D1B04-TN9 *轴承尺寸图纸

