轴承专区
Bearings Center
RMS 6轴承-SKF RMS 6轴承尺寸、图纸、价格
SKF RMS 6轴承
| 产品名称: | RMS 6轴承 | 品牌: | SKF |
|---|---|---|---|
| 类型: | SKF轴承 > 滚动轴承 > 深沟球轴承 | ||
| 描述: | RMS 6轴承是【SKF轴承 > 滚动轴承 > 深沟球轴承】的型号,主要用在变速器、罗茨鼓风机、挖土机履带轮、建筑机械、轧钢机齿轮箱座、制铁制钢机械、立式电动机、音像设备、起重机械、正面吊等各大领域 | ||
电话/微信:138-8949-5179
SKF RMS 6轴承详细信息
RMS 6轴承是【SKF轴承 > 滚动轴承 > 深沟球轴承】的型号,主要用在变速器、罗茨鼓风机、挖土机履带轮、建筑机械、轧钢机齿轮箱座、制铁制钢机械、立式电动机、音像设备、起重机械、正面吊等各大领域。
SKF RMS 6轴承详细参数
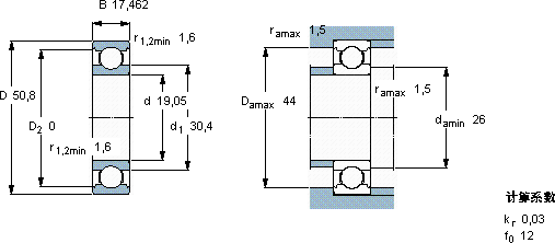
| 深沟球轴承, 单列, 无密封件,带英制尺寸 | |||||||||||
| 主要数据尺寸 | 基本负荷额定值 | 疲劳负荷限值 | 额定速度 | 体积 | 型号 | ||||||
| 动态 | 静态 | 参照速度 | 限制速度 | ||||||||
| d | D | B | C | C0 | Pu | ||||||
| mm | kN | kN | r/min | kg | - | ||||||
| 19,05 | 50,8 | 17,462 | 15,9 | 7,8 | 0,335 | 28000 | 19000 | 0,14 | RMS 6 | 仅对售后市场 | |
SKF RMS 6轴承尺寸图纸

