李工:138-8949-5179 刘工:135-0428-8802
型号查询
轴承型号   常见搜索: 7014轴承 6016轴承 6010轴承 6021轴承 6028轴承 6017轴承
型号查询 X

轴承专区

Bearings Center

RMS 36轴承-SKF RMS 36轴承尺寸、图纸、价格

SKF RMS 36轴承

产品名称:RMS 36轴承 品牌:SKF
类型:SKF轴承 > 滚动轴承 > 深沟球轴承
描述:RMS 36轴承是【SKF轴承 > 滚动轴承 > 深沟球轴承】的型号,主要用在各种产业机械、罗茨鼓风机、燃汽轮机、建筑机械、减速装置、制铁制钢机械、发电厂、纺织、起重机械、冶金起重机等各大领域

 电话/微信:138-8949-5179

SKF RMS 36轴承详细信息

RMS 36轴承是【SKF轴承 > 滚动轴承 > 深沟球轴承】的型号,主要用在各种产业机械、罗茨鼓风机、燃汽轮机、建筑机械、减速装置、制铁制钢机械、发电厂、纺织、起重机械、冶金起重机等各大领域。

SKF RMS 36轴承详细参数

深沟球轴承, 单列, 无密封件,带英制尺寸
主要数据尺寸基本负荷额定值疲劳负荷限值额定速度体积型号
动态静态参照速度限制速度
dDBCC0Pu
mmkNkNr/minkg-
114,3238,12550,82031805,7530038008,90RMS 36仅对售后市场

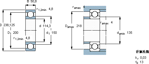
SKF RMS 36轴承尺寸图纸

李工:138-8949-5179

刘工:135-0428-8802

地址:辽宁省大连经济技术开发区现代城3栋-13-13号

在线客服系统