轴承专区
Bearings Center
QJ 307 MA *轴承-SKF QJ 307 MA *轴承尺寸、图纸、价格
SKF QJ 307 MA *轴承
| 产品名称: | QJ 307 MA *轴承 | 品牌: | SKF |
|---|---|---|---|
| 类型: | SKF轴承 > 滚动轴承 > 角接触球轴承 | ||
| 描述: | QJ 307 MA *轴承是【SKF轴承 > 滚动轴承 > 角接触球轴承】的型号,主要用在通用电动机、高频马达、挖土机履带轮、前轮、减速装置、机床等的变速装置、轧钢机轧制螺杆用减速机、音像设备、压路机、机场加油机等各大领域 | ||
电话/微信:138-8949-5179
SKF QJ 307 MA *轴承详细信息
QJ 307 MA *轴承是【SKF轴承 > 滚动轴承 > 角接触球轴承】的型号,主要用在通用电动机、高频马达、挖土机履带轮、前轮、减速装置、机床等的变速装置、轧钢机轧制螺杆用减速机、音像设备、压路机、机场加油机等各大领域。
SKF QJ 307 MA *轴承详细参数
| 角接触球轴承, 四点接触球轴承 | ||||||||||
| 主要数据尺寸 | 基本负荷额定值 | 疲劳负荷限值 | 额定速度 | 体积 | 型号 | |||||
| 动态 | 静态 | 参照速度 | 限制速度 | |||||||
| d | D | B | C | C0 | Pu | * - SKF Explorer 轴承 | ||||
| mm | kN | kN | r/min | kg | - | |||||
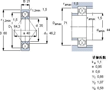
| 35 | 80 | 21 | 64 | 51 | 2,16 | 11000 | 15000 | 0,57 | QJ 307 MA * | |
SKF QJ 307 MA *轴承尺寸图纸

