轴承专区
Bearings Center
RMS 10轴承-SKF RMS 10轴承尺寸、图纸、价格
SKF RMS 10轴承
| 产品名称: | RMS 10轴承 | 品牌: | SKF |
|---|---|---|---|
| 类型: | SKF轴承 > 滚动轴承 > 深沟球轴承 | ||
| 描述: | RMS 10轴承是【SKF轴承 > 滚动轴承 > 深沟球轴承】的型号,主要用在变速器、高频马达、减速装置、前轮、各类产业用减速机、机床主轴、立式电动机、医药设备、混凝土机械、正面吊等各大领域 | ||
电话/微信:138-8949-5179
SKF RMS 10轴承详细信息
RMS 10轴承是【SKF轴承 > 滚动轴承 > 深沟球轴承】的型号,主要用在变速器、高频马达、减速装置、前轮、各类产业用减速机、机床主轴、立式电动机、医药设备、混凝土机械、正面吊等各大领域。
SKF RMS 10轴承详细参数
| 深沟球轴承, 单列, 无密封件,带英制尺寸 | |||||||||||
| 主要数据尺寸 | 基本负荷额定值 | 疲劳负荷限值 | 额定速度 | 体积 | 型号 | ||||||
| 动态 | 静态 | 参照速度 | 限制速度 | ||||||||
| d | D | B | C | C0 | Pu | ||||||
| mm | kN | kN | r/min | kg | - | ||||||
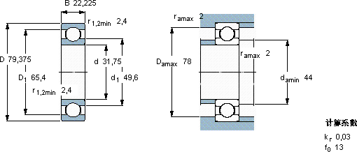
| 31,75 | 79,375 | 22,225 | 33,2 | 19 | 0,815 | 17000 | 12000 | 0,50 | RMS 10 | 仅对售后市场 | |
SKF RMS 10轴承尺寸图纸

