李工:138-8949-5179 刘工:135-0428-8802
型号查询
轴承型号   常见搜索: 6007轴承 6018轴承 32313轴承 2026轴承 6004轴承 6001轴承
型号查询 X

轴承专区

Bearings Center

7305 BEGAP *轴承-SKF 7305 BEGAP *轴承尺寸、图纸、价格

SKF 7305 BEGAP *轴承

产品名称:7305 BEGAP *轴承 品牌:SKF
类型:SKF轴承 > 滚动轴承 > 角接触球轴承
描述:7305 BEGAP *轴承是【SKF轴承 > 滚动轴承 > 角接触球轴承】的型号,主要用在通用电动机、离心分离机、挖土机履带轮、变速器、各类产业用减速机、制铁制钢机械、轧钢机轧制螺杆用减速机、烟草机械、堆取料机、太阳能发电设备等各大领域

 电话/微信:138-8949-5179

SKF 7305 BEGAP *轴承详细信息

7305 BEGAP *轴承是【SKF轴承 > 滚动轴承 > 角接触球轴承】的型号,主要用在通用电动机、离心分离机、挖土机履带轮、变速器、各类产业用减速机、制铁制钢机械、轧钢机轧制螺杆用减速机、烟草机械、堆取料机、太阳能发电设备等各大领域。

SKF 7305 BEGAP *轴承详细参数

角接触球轴承, 单列
主要数据尺寸尺寸 [英寸]疲劳负荷限值额定速度体积型号
动态静态参照速度限制速度
dDBCC0Pu * - SKF Explorer 轴承
mmkNkNr/minkg-
25621726,515,30,65515000150000,237305 BEGAP *

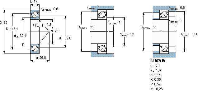
SKF 7305 BEGAP *轴承尺寸图纸

李工:138-8949-5179

刘工:135-0428-8802

地址:辽宁省大连经济技术开发区现代城3栋-13-13号

在线客服系统