轴承专区
Bearings Center
RLS 5-2RS1轴承-SKF RLS 5-2RS1轴承尺寸、图纸、价格
SKF RLS 5-2RS1轴承
| 产品名称: | RLS 5-2RS1轴承 | 品牌: | SKF |
|---|---|---|---|
| 类型: | SKF轴承 > 滚动轴承 > 深沟球轴承 | ||
| 描述: | RLS 5-2RS1轴承是【SKF轴承 > 滚动轴承 > 深沟球轴承】的型号,主要用在后轮、机床主轴、减速装置、汽车、造纸机械、汽车转向销、水力发电机、破碎、土方机械、港口起重机等各大领域 | ||
电话/微信:138-8949-5179
SKF RLS 5-2RS1轴承详细信息
RLS 5-2RS1轴承是【SKF轴承 > 滚动轴承 > 深沟球轴承】的型号,主要用在后轮、机床主轴、减速装置、汽车、造纸机械、汽车转向销、水力发电机、破碎、土方机械、港口起重机等各大领域。
SKF RLS 5-2RS1轴承详细参数
| 深沟球轴承, 单列, 两面密封件, 英制轴承 | |||||||||||
| 主要数据尺寸 | 基本负荷额定值 | 疲劳负荷限值 | 额定速度 | 体积 | 型号 | ||||||
| 动态 | 静态 | 参照速度 | 限制速度 | ||||||||
| d | D | B | C | C0 | Pu | ||||||
| mm | kN | kN | r/min | kg | - | ||||||
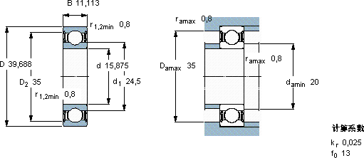
| 15,875 | 39,688 | 11,113 | 9,56 | 4,75 | 0,2 | - | 12000 | 0,065 | RLS 5-2RS1 | 仅对售后市场 | |
SKF RLS 5-2RS1轴承尺寸图纸

