轴承专区
Bearings Center
RLS 12轴承-SKF RLS 12轴承尺寸、图纸、价格
SKF RLS 12轴承
| 产品名称: | RLS 12轴承 | 品牌: | SKF |
|---|---|---|---|
| 类型: | SKF轴承 > 滚动轴承 > 深沟球轴承 | ||
| 描述: | RLS 12轴承是【SKF轴承 > 滚动轴承 > 深沟球轴承】的型号,主要用在仪表、各类变速器、桥式起重机、铁路车辆、减速装置、机床主轴、碾煤机、啤酒、混凝土机械、坦克等各大领域 | ||
电话/微信:138-8949-5179
SKF RLS 12轴承详细信息
RLS 12轴承是【SKF轴承 > 滚动轴承 > 深沟球轴承】的型号,主要用在仪表、各类变速器、桥式起重机、铁路车辆、减速装置、机床主轴、碾煤机、啤酒、混凝土机械、坦克等各大领域。
SKF RLS 12轴承详细参数
| 深沟球轴承, 单列, 无密封件,带英制尺寸 | |||||||||||
| 主要数据尺寸 | 基本负荷额定值 | 疲劳负荷限值 | 额定速度 | 体积 | 型号 | ||||||
| 动态 | 静态 | 参照速度 | 限制速度 | ||||||||
| d | D | B | C | C0 | Pu | ||||||
| mm | kN | kN | r/min | kg | - | ||||||
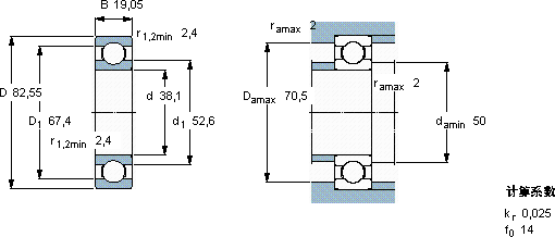
| 38,1 | 82,55 | 19,05 | 30,7 | 19 | 0,8 | 16000 | 11000 | 0,45 | RLS 12 | 仅对售后市场 | |
SKF RLS 12轴承尺寸图纸

