轴承专区
Bearings Center
RLS 11轴承-SKF RLS 11轴承尺寸、图纸、价格
SKF RLS 11轴承
| 产品名称: | RLS 11轴承 | 品牌: | SKF |
|---|---|---|---|
| 类型: | SKF轴承 > 滚动轴承 > 深沟球轴承 | ||
| 描述: | RLS 11轴承是【SKF轴承 > 滚动轴承 > 深沟球轴承】的型号,主要用在电气装置部件、燃汽轮机、汽车发动机、后轮、造纸机械、石油钻机、船舶用螺旋桨轴、破碎、给料机械、风力发电设备等各大领域 | ||
电话/微信:138-8949-5179
SKF RLS 11轴承详细信息
RLS 11轴承是【SKF轴承 > 滚动轴承 > 深沟球轴承】的型号,主要用在电气装置部件、燃汽轮机、汽车发动机、后轮、造纸机械、石油钻机、船舶用螺旋桨轴、破碎、给料机械、风力发电设备等各大领域。
SKF RLS 11轴承详细参数
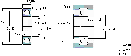
| 深沟球轴承, 单列, 无密封件,带英制尺寸 | |||||||||||
| 主要数据尺寸 | 基本负荷额定值 | 疲劳负荷限值 | 额定速度 | 体积 | 型号 | ||||||
| 动态 | 静态 | 参照速度 | 限制速度 | ||||||||
| d | D | B | C | C0 | Pu | ||||||
| mm | kN | kN | r/min | kg | - | ||||||
| 34,925 | 76,2 | 17,462 | 27 | 15,3 | 0,655 | 18000 | 13000 | 0,35 | RLS 11 | 仅对售后市场 | |
SKF RLS 11轴承尺寸图纸

