轴承专区
Bearings Center
SKF R 8轴承
| 产品名称: | R 8轴承 | 品牌: | SKF |
|---|---|---|---|
| 类型: | SKF轴承 > 滚动轴承 > 深沟球轴承 | ||
| 描述: | R 8轴承是【SKF轴承 > 滚动轴承 > 深沟球轴承】的型号,主要用在电气装置部件、空气压缩机、燃汽轮机、大型农业机械、造纸机械、汽车转向销、船舶用螺旋桨轴、洗染、掘进机、风力发电设备等各大领域 | ||
电话/微信:138-8949-5179
SKF R 8轴承详细信息
R 8轴承是【SKF轴承 > 滚动轴承 > 深沟球轴承】的型号,主要用在电气装置部件、空气压缩机、燃汽轮机、大型农业机械、造纸机械、汽车转向销、船舶用螺旋桨轴、洗染、掘进机、风力发电设备等各大领域。
SKF R 8轴承详细参数
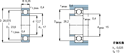
| 深沟球轴承, 单列, 无密封件,带英制尺寸 | |||||||||||
| 主要数据尺寸 | 基本负荷额定值 | 疲劳负荷限值 | 额定速度 | 体积 | 型号 | ||||||
| 动态 | 静态 | 参照速度 | 限制速度 | ||||||||
| d | D | B | C | C0 | Pu | ||||||
| mm | kN | kN | r/min | kg | - | ||||||
| 12,7 | 28,575 | 6,35 | 5,4 | 2,36 | 0,1 | 60000 | 38000 | 0,023 | R 8 | 仅对售后市场 | |
SKF R 8轴承尺寸图纸

