轴承专区
Bearings Center
QJ 217 MA *轴承-SKF QJ 217 MA *轴承尺寸、图纸、价格
SKF QJ 217 MA *轴承
| 产品名称: | QJ 217 MA *轴承 | 品牌: | SKF |
|---|---|---|---|
| 类型: | SKF轴承 > 滚动轴承 > 角接触球轴承 | ||
| 描述: | QJ 217 MA *轴承是【SKF轴承 > 滚动轴承 > 角接触球轴承】的型号,主要用在变速器、差速器小齿轮轴、提升机、小齿轮轴、减速装置、机床等的变速装置、立式电动机、饮料设备、工程船舶、吹氧装置等各大领域 | ||
电话/微信:138-8949-5179
SKF QJ 217 MA *轴承详细信息
QJ 217 MA *轴承是【SKF轴承 > 滚动轴承 > 角接触球轴承】的型号,主要用在变速器、差速器小齿轮轴、提升机、小齿轮轴、减速装置、机床等的变速装置、立式电动机、饮料设备、工程船舶、吹氧装置等各大领域。
SKF QJ 217 MA *轴承详细参数
| 角接触球轴承, 四点接触球轴承 | ||||||||||
| 主要数据尺寸 | 基本负荷额定值 | 疲劳负荷限值 | 额定速度 | 体积 | 型号 | |||||
| 动态 | 静态 | 参照速度 | 限制速度 | |||||||
| d | D | B | C | C0 | Pu | * - SKF Explorer 轴承 | ||||
| mm | kN | kN | r/min | kg | - | |||||
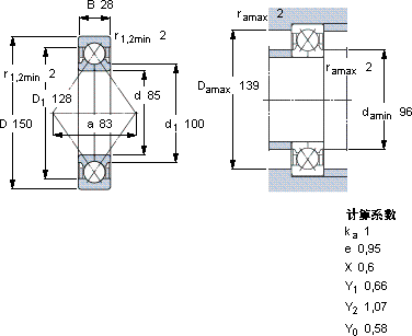
| 85 | 150 | 28 | 156 | 173 | 6,7 | 5300 | 7500 | 2,25 | QJ 217 MA * | |
SKF QJ 217 MA *轴承尺寸图纸

