李工:138-8949-5179 刘工:135-0428-8802
型号查询
轴承型号   常见搜索: 6007轴承 6024轴承 6015轴承 6019轴承 22222轴承 6022轴承
型号查询 X

轴承专区

Bearings Center

QJ 1268 MA/344524轴承-SKF QJ 1268 MA/344524轴承尺寸、图纸、价格

SKF QJ 1268 MA/344524轴承

产品名称:QJ 1268 MA/344524轴承 品牌:SKF
类型:SKF轴承 > 滚动轴承 > 角接触球轴承
描述:QJ 1268 MA/344524轴承是【SKF轴承 > 滚动轴承 > 角接触球轴承】的型号,主要用在各种产业机械、各类变速器、提升机、铁路车辆、轧钢机齿轮箱座、机床主轴、发电厂、医药设备、挖掘机、塔式车库等各大领域

 电话/微信:138-8949-5179

SKF QJ 1268 MA/344524轴承详细信息

QJ 1268 MA/344524轴承是【SKF轴承 > 滚动轴承 > 角接触球轴承】的型号,主要用在各种产业机械、各类变速器、提升机、铁路车辆、轧钢机齿轮箱座、机床主轴、发电厂、医药设备、挖掘机、塔式车库等各大领域。

SKF QJ 1268 MA/344524轴承详细参数

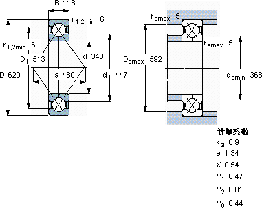
角接触球轴承, 四点接触球轴承
主要数据尺寸基本负荷额定值疲劳负荷限值额定速度体积型号
动态静态参照速度限制速度
dDBCC0Pu
mmkNkNr/minkg-
3406201181060245047,510001600165QJ 1268 MA/344524

SKF QJ 1268 MA/344524轴承尺寸图纸

李工:138-8949-5179

刘工:135-0428-8802

地址:辽宁省大连经济技术开发区现代城3栋-13-13号

在线客服系统