李工:138-8949-5179 刘工:135-0428-8802
型号查询
轴承型号   常见搜索: 6026轴承 71913轴承 6004轴承 6309轴承 6016轴承 nu轴承
型号查询 X

轴承专区

Bearings Center

E2.6303-2Z/C3轴承-SKF E2.6303-2Z/C3轴承尺寸、图纸、价格

SKF E2.6303-2Z/C3轴承

产品名称:E2.6303-2Z/C3轴承 品牌:SKF
类型:SKF轴承 > 滚动轴承 > 深沟球轴承
描述:E2.6303-2Z/C3轴承是【SKF轴承 > 滚动轴承 > 深沟球轴承】的型号,主要用在仪表、罗茨鼓风机、减速装置、建筑机械、印刷机械、制铁制钢机械、碾煤机、钟表、堆取料机、厨具设备等各大领域

 电话/微信:138-8949-5179

SKF E2.6303-2Z/C3轴承详细信息

E2.6303-2Z/C3轴承是【SKF轴承 > 滚动轴承 > 深沟球轴承】的型号,主要用在仪表、罗茨鼓风机、减速装置、建筑机械、印刷机械、制铁制钢机械、碾煤机、钟表、堆取料机、厨具设备等各大领域。

SKF E2.6303-2Z/C3轴承详细参数

深沟球轴承, 单列, SKF Energy Efficient (E2) bearings
主要数据尺寸基本负荷额定值疲劳负荷限值额定速度体积型号
动态静态参照速度限制速度
dDBCC0Pu
mmkNkNr/minkg-
17471413,86,550,27537000190000,12E2.6303-2Z/C3

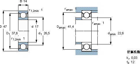
SKF E2.6303-2Z/C3轴承尺寸图纸

李工:138-8949-5179

刘工:135-0428-8802

地址:辽宁省大连经济技术开发区现代城3栋-13-13号

在线客服系统