轴承专区
Bearings Center
QJ 1064 MA轴承-SKF QJ 1064 MA轴承尺寸、图纸、价格
SKF QJ 1064 MA轴承
| 产品名称: | QJ 1064 MA轴承 | 品牌: | SKF |
|---|---|---|---|
| 类型: | SKF轴承 > 滚动轴承 > 角接触球轴承 | ||
| 描述: | QJ 1064 MA轴承是【SKF轴承 > 滚动轴承 > 角接触球轴承】的型号,主要用在建筑机械、差速器小齿轮轴、汽车发动机、小齿轮轴、各类产业用减速机、机床等的变速装置、成形机、制鞋、工程船舶、焊接机器人等各大领域 | ||
电话/微信:138-8949-5179
SKF QJ 1064 MA轴承详细信息
QJ 1064 MA轴承是【SKF轴承 > 滚动轴承 > 角接触球轴承】的型号,主要用在建筑机械、差速器小齿轮轴、汽车发动机、小齿轮轴、各类产业用减速机、机床等的变速装置、成形机、制鞋、工程船舶、焊接机器人等各大领域。
SKF QJ 1064 MA轴承详细参数
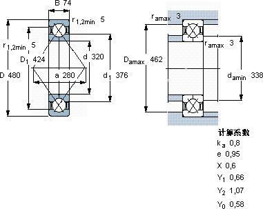
| 角接触球轴承, 四点接触球轴承 | ||||||||||
| 主要数据尺寸 | 基本负荷额定值 | 疲劳负荷限值 | 额定速度 | 体积 | 型号 | |||||
| 动态 | 静态 | 参照速度 | 限制速度 | |||||||
| d | D | B | C | C0 | Pu | |||||
| mm | kN | kN | r/min | kg | - | |||||
| 320 | 480 | 74 | 715 | 1530 | 32 | 1200 | 2000 | 50,0 | QJ 1064 MA | |
SKF QJ 1064 MA轴承尺寸图纸

