李工:138-8949-5179 刘工:135-0428-8802
型号查询
轴承型号   常见搜索: 6006轴承 6005轴承 6002轴承 6030轴承 23136轴承 6024轴承
型号查询 X

轴承专区

Bearings Center

QJ 1030 N2MA轴承-SKF QJ 1030 N2MA轴承尺寸、图纸、价格

SKF QJ 1030 N2MA轴承

产品名称:QJ 1030 N2MA轴承 品牌:SKF
类型:SKF轴承 > 滚动轴承 > 角接触球轴承
描述:QJ 1030 N2MA轴承是【SKF轴承 > 滚动轴承 > 角接触球轴承】的型号,主要用在内燃机、机床主轴、发电机、汽车、造纸机械、汽车转向销、挤压机、破碎、土方机械、抓钢机等各大领域

 电话/微信:138-8949-5179

SKF QJ 1030 N2MA轴承详细信息

QJ 1030 N2MA轴承是【SKF轴承 > 滚动轴承 > 角接触球轴承】的型号,主要用在内燃机、机床主轴、发电机、汽车、造纸机械、汽车转向销、挤压机、破碎、土方机械、抓钢机等各大领域。

SKF QJ 1030 N2MA轴承详细参数

角接触球轴承, 四点接触球轴承
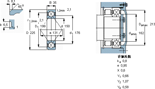
主要数据尺寸基本负荷额定值疲劳负荷限值额定速度体积型号
动态静态参照速度限制速度
dDBCC0Pu
mmkNkNr/minkg-
150225352163059,5280045005,25QJ 1030 N2MA

SKF QJ 1030 N2MA轴承尺寸图纸

李工:138-8949-5179

刘工:135-0428-8802

地址:辽宁省大连经济技术开发区现代城3栋-13-13号

在线客服系统