轴承专区
Bearings Center
HMVC 20E轴承-SKF HMVC 20E轴承尺寸、图纸、价格
SKF HMVC 20E轴承
| 产品名称: | HMVC 20E轴承 | 品牌: | SKF |
|---|---|---|---|
| 类型: | SKF轴承 > 滚动轴承 > 轴承附件 | ||
| 描述: | HMVC 20E轴承是【SKF轴承 > 滚动轴承 > 轴承附件】的型号,主要用在飞机喷气式发动机、小型汽车前轮、发电机、差速器、铁路车辆车轴、汽车转向销、燃机、薄膜拉伸、掘进机、厨具设备等各大领域 | ||
电话/微信:138-8949-5179
SKF HMVC 20E轴承详细信息
HMVC 20E轴承是【SKF轴承 > 滚动轴承 > 轴承附件】的型号,主要用在飞机喷气式发动机、小型汽车前轮、发电机、差速器、铁路车辆车轴、汽车转向销、燃机、薄膜拉伸、掘进机、厨具设备等各大领域。
SKF HMVC 20E轴承详细参数
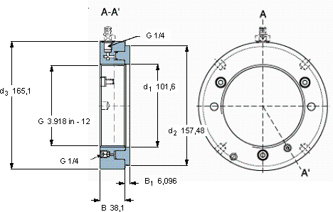
| Hydraulic nuts, inch sizes | ||||||||||||
| 螺纹尺寸 | 尺寸 | Permitted | Piston area | 体积 | 型号 | |||||||
| piston | ||||||||||||
| G | d1 | d2 | d3 | B | B1 | displacement | ||||||
| mm | mm (metric sizes) | mm | mm | mm2 (metric sizes) | kg | - | ||||||
| in - threads/in (inch sizes) | in2 (inch sizes) | |||||||||||
| 98,143 | 3.918 in - 12 | 101,6 | 157,48 | 165,1 | 38,1 | 6,096 | 5,08 | 7,9 | 9,7 | HMVC 20E | - | |
SKF HMVC 20E轴承尺寸图纸

