李工:138-8949-5179 刘工:135-0428-8802
型号查询
轴承型号   常见搜索: 6006轴承 6012轴承 6019轴承 6028轴承 6002轴承 6032轴承
型号查询 X

轴承专区

Bearings Center

PL 710轴承-SKF PL 710轴承尺寸、图纸、价格

SKF PL 710轴承

产品名称:PL 710轴承 品牌:SKF
类型:SKF轴承 > 滚动轴承 > 轴承附件
描述:PL 710轴承是【SKF轴承 > 滚动轴承 > 轴承附件】的型号,主要用在农业机械、油泵、燃汽轮机、机床主轴、造纸机械、石油钻机、钢铁厂、医药设备、给料机械、太阳能发电设备等各大领域

 电话/微信:138-8949-5179

SKF PL 710轴承详细信息

PL 710轴承是【SKF轴承 > 滚动轴承 > 轴承附件】的型号,主要用在农业机械、油泵、燃汽轮机、机床主轴、造纸机械、石油钻机、钢铁厂、医药设备、给料机械、太阳能发电设备等各大领域。

SKF PL 710轴承详细参数

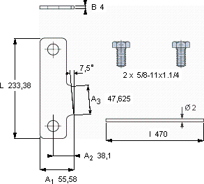
P锁紧片夹, 英制尺寸
尺寸体积型号
锁定板适宜的锁定螺母
LA1B
mmkg-
233,3855,5840,45PL 710N 710

SKF PL 710轴承尺寸图纸

李工:138-8949-5179

刘工:135-0428-8802

地址:辽宁省大连经济技术开发区现代城3栋-13-13号

在线客服系统