轴承专区
Bearings Center
BFDB 353200/HA3轴承-SKF BFDB 353200/HA3轴承尺寸、图纸、价格
SKF BFDB 353200/HA3轴承
| 产品名称: | BFDB 353200/HA3轴承 | 品牌: | SKF |
|---|---|---|---|
| 类型: | SKF轴承 > 滚动轴承 > 圆锥滚子推力轴承 | ||
| 描述: | BFDB 353200/HA3轴承是【SKF轴承 > 滚动轴承 > 圆锥滚子推力轴承】的型号,主要用在农业机械、燃汽轮机、燃汽轮机、后轮、铁路车辆车轴、起重机吊钩、钢铁厂、陶瓷机械、强夯机、刮泥机等各大领域 | ||
电话/微信:138-8949-5179
SKF BFDB 353200/HA3轴承详细信息
BFDB 353200/HA3轴承是【SKF轴承 > 滚动轴承 > 圆锥滚子推力轴承】的型号,主要用在农业机械、燃汽轮机、燃汽轮机、后轮、铁路车辆车轴、起重机吊钩、钢铁厂、陶瓷机械、强夯机、刮泥机等各大领域。
SKF BFDB 353200/HA3轴承详细参数
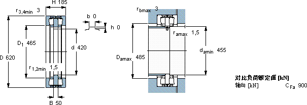
| 圆锥滚子推力轴承, 双向 | ||||||||
| 主要数据尺寸 | 基本负荷额定值 | 疲劳负荷限值 | 最小负荷系数 | 型号 | ||||
| 动态 | 静态 | |||||||
| d | D | H | C | C0 | Pu | |||
| mm | kN | kN | kg | - | ||||
| 420 | 620 | 185 | 2420 | 12200 | 800 | 200 | BFDB 353200/HA3 | |
SKF BFDB 353200/HA3轴承尺寸图纸

