轴承专区
Bearings Center
PL 670轴承-SKF PL 670轴承尺寸、图纸、价格
SKF PL 670轴承
| 产品名称: | PL 670轴承 | 品牌: | SKF |
|---|---|---|---|
| 类型: | SKF轴承 > 滚动轴承 > 轴承附件 | ||
| 描述: | PL 670轴承是【SKF轴承 > 滚动轴承 > 轴承附件】的型号,主要用在装卸搬运机械、差速器小齿轮轴、发电机、小齿轮轴、各类产业用减速机、机床主轴、矿山、饮料设备、混凝土机械、风力发电设备等各大领域 | ||
电话/微信:138-8949-5179
SKF PL 670轴承详细信息
PL 670轴承是【SKF轴承 > 滚动轴承 > 轴承附件】的型号,主要用在装卸搬运机械、差速器小齿轮轴、发电机、小齿轮轴、各类产业用减速机、机床主轴、矿山、饮料设备、混凝土机械、风力发电设备等各大领域。
SKF PL 670轴承详细参数
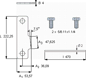
| P锁紧片夹, 英制尺寸 | ||||||
| 尺寸 | 体积 | 型号 | ||||
| 锁定板 | 适宜的锁定螺母 | |||||
| L | A1 | B | ||||
| mm | kg | - | ||||
| 222,25 | 53,57 | 4 | 0,45 | PL 670 | N 670 | |
SKF PL 670轴承尺寸图纸

