轴承专区
Bearings Center
PL 48轴承-SKF PL 48轴承尺寸、图纸、价格
SKF PL 48轴承
| 产品名称: | PL 48轴承 | 品牌: | SKF |
|---|---|---|---|
| 类型: | SKF轴承 > 滚动轴承 > 轴承附件 | ||
| 描述: | PL 48轴承是【SKF轴承 > 滚动轴承 > 轴承附件】的型号,主要用在仪表、印刷机械、桥式起重机、轧钢机辊颈、减速装置、石油钻机转环、碾煤机、啤酒、凿岩机械、钢包回转台等各大领域 | ||
电话/微信:138-8949-5179
SKF PL 48轴承详细信息
PL 48轴承是【SKF轴承 > 滚动轴承 > 轴承附件】的型号,主要用在仪表、印刷机械、桥式起重机、轧钢机辊颈、减速装置、石油钻机转环、碾煤机、啤酒、凿岩机械、钢包回转台等各大领域。
SKF PL 48轴承详细参数
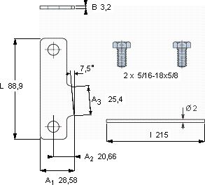
| P锁紧片夹, 英制尺寸 | ||||||
| 尺寸 | 体积 | 型号 | ||||
| 锁定板 | 适宜的锁定螺母 | |||||
| L | A1 | B | ||||
| mm | kg | - | ||||
| 88,9 | 28,58 | 3,2 | 0,06 | PL 48 | N 048 | |
SKF PL 48轴承尺寸图纸

