轴承专区
Bearings Center
PFT 30 WF轴承-SKF PFT 30 WF轴承尺寸、图纸、价格
SKF PFT 30 WF轴承
| 产品名称: | PFT 30 WF轴承 | 品牌: | SKF |
|---|---|---|---|
| 类型: | SKF轴承 > 轴承单元 > Y-轴承法兰单元 | ||
| 描述: | PFT 30 WF轴承是【SKF轴承 > 轴承单元 > Y-轴承法兰单元】的型号,主要用在通用电动机、离心分离机、变速器、变速器、印刷机械、制铁制钢机械、轧钢机轧制螺杆用减速机、薄膜拉伸、堆取料机、太阳能发电设备等各大领域 | ||
电话/微信:138-8949-5179
SKF PFT 30 WF轴承详细信息
PFT 30 WF轴承是【SKF轴承 > 轴承单元 > Y-轴承法兰单元】的型号,主要用在通用电动机、离心分离机、变速器、变速器、印刷机械、制铁制钢机械、轧钢机轧制螺杆用减速机、薄膜拉伸、堆取料机、太阳能发电设备等各大领域。
SKF PFT 30 WF轴承详细参数
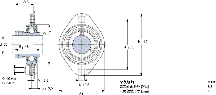
| Y-型轴承带法兰单元, 冲压钢轴承座,偏心锁定轴环, 带一个椭圆形法兰和两个螺栓孔, 公制轴承 | ||||||||||||
| 尺寸 | 基本负荷额定值 | 可允许住 | 质量 | 轴承单元 | 定购代号 | |||||||
| 动态 | 静态 | 房装载 | 轴承 | 轴承座 | 轴承 | |||||||
| d | Da | H | J | T | C | C0 | 径向 | 单元 | ||||
| mm | kN | kN | kg | - | ||||||||
| 30 | 71 | 112 | 90,5 | 32,6 | 19,5 | 11,2 | 5 | 0,52 | PFT 30 WF | PFT 62 | YEL 206-2F | |
SKF PFT 30 WF轴承尺寸图纸

