李工:138-8949-5179 刘工:135-0428-8802
型号查询
轴承型号   常见搜索: 6003轴承 6906轴承 617轴承 6024轴承 6002轴承 6026轴承
型号查询 X

轴承专区

Bearings Center

PFD 1.1/4 AFM轴承-SKF PFD 1.1/4 AFM轴承尺寸、图纸、价格

SKF PFD 1.1/4 AFM轴承

产品名称:PFD 1.1/4 AFM轴承 品牌:SKF
类型:SKF轴承 > 轴承单元 > Y-轴承法兰单元
描述:PFD 1.1/4 AFM轴承是【SKF轴承 > 轴承单元 > Y-轴承法兰单元】的型号,主要用在后轮、燃汽轮机、减速装置、后轮、木工机械、起重机吊钩、水力发电机、医药设备、专用车、焊接机器人等各大领域

 电话/微信:138-8949-5179

SKF PFD 1.1/4 AFM轴承详细信息

PFD 1.1/4 AFM轴承是【SKF轴承 > 轴承单元 > Y-轴承法兰单元】的型号,主要用在后轮、燃汽轮机、减速装置、后轮、木工机械、起重机吊钩、水力发电机、医药设备、专用车、焊接机器人等各大领域。

SKF PFD 1.1/4 AFM轴承详细参数

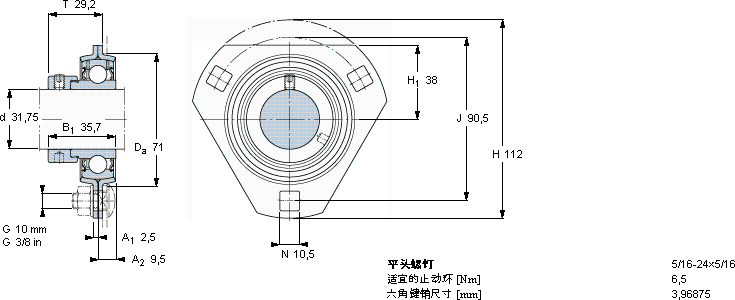
Y-型轴承带法兰单元, 冲压钢轴承座,偏心锁定轴环
尺寸基本负荷额定值可允许住质量轴承单元定购代号
动态静态房装载轴承轴承座轴承
dDaHJTCC0径向单元
mmkNkNkg-
31,757111290,529,219,511,250,46PFD 1.1/4 AFMPFD 62YET 206-104

SKF PFD 1.1/4 AFM轴承尺寸图纸

李工:138-8949-5179

刘工:135-0428-8802

地址:辽宁省大连经济技术开发区现代城3栋-13-13号

在线客服系统