李工:138-8949-5179 刘工:135-0428-8802
型号查询
轴承型号   常见搜索: 6214轴承 6006轴承 6019轴承 6205轴承 6020轴承 3214轴承
型号查询 X

轴承专区

Bearings Center

6001-RSL *轴承-SKF 6001-RSL *轴承尺寸、图纸、价格

SKF 6001-RSL *轴承

产品名称:6001-RSL *轴承 品牌:SKF
类型:SKF轴承 > 滚动轴承 > 深沟球轴承
描述:6001-RSL *轴承是【SKF轴承 > 滚动轴承 > 深沟球轴承】的型号,主要用在铁路车辆、燃料喷射泵、泵、齿轮减速装置、木工机械、石油钻机、冶炼厂、玩具、解体机、正面吊等各大领域

 电话/微信:138-8949-5179

SKF 6001-RSL *轴承详细信息

6001-RSL *轴承是【SKF轴承 > 滚动轴承 > 深沟球轴承】的型号,主要用在铁路车辆、燃料喷射泵、泵、齿轮减速装置、木工机械、石油钻机、冶炼厂、玩具、解体机、正面吊等各大领域。

SKF 6001-RSL *轴承详细参数

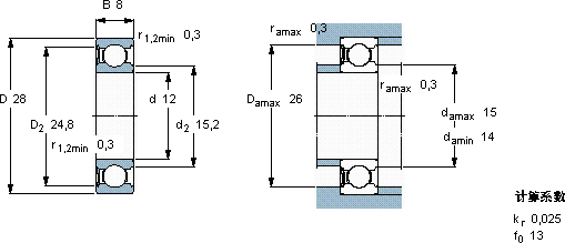
深沟球轴承, 单列, 低摩擦单面密封件
主要数据尺寸基本负荷额定值疲劳负荷限值额定速度体积型号
动态静态参照速度限制速度
dDBCC0Pu * - SKF Explorer 轴承
mmkNkNr/minkg-
122885,42,360,160000380000,0226001-RSL *

SKF 6001-RSL *轴承尺寸图纸

李工:138-8949-5179

刘工:135-0428-8802

地址:辽宁省大连经济技术开发区现代城3栋-13-13号

在线客服系统