李工:138-8949-5179 刘工:135-0428-8802
型号查询
轴承型号   常见搜索: 6309轴承 32313轴承 617轴承 6909轴承 6013轴承 6020轴承
型号查询 X

轴承专区

Bearings Center

PDRJ 320轴承-SKF PDRJ 320轴承尺寸、图纸、价格

SKF PDRJ 320轴承

产品名称:PDRJ 320轴承 品牌:SKF
类型:SKF轴承 > 轴承单元 > 双轴承装置
描述:PDRJ 320轴承是【SKF轴承 > 轴承单元 > 双轴承装置】的型号,主要用在变速器、印刷机械、提升机、轧钢机辊颈、印刷机械、制铁制钢机械、立式电动机、音像设备、起重机械、吹氧装置等各大领域

 电话/微信:138-8949-5179

SKF PDRJ 320轴承详细信息

PDRJ 320轴承是【SKF轴承 > 轴承单元 > 双轴承装置】的型号,主要用在变速器、印刷机械、提升机、轧钢机辊颈、印刷机械、制铁制钢机械、立式电动机、音像设备、起重机械、吹氧装置等各大领域。

SKF PDRJ 320轴承详细参数

双轴承单元, PDRJ单元
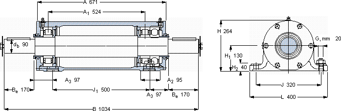
尺寸整体轴承质量型号
轴承座与Key405轴承单元
dbBHH1L
mm-kg-
901034264130400NU 320 ECP6320/C3NU 320 ECP187PDRJ 320

SKF PDRJ 320轴承尺寸图纸

李工:138-8949-5179

刘工:135-0428-8802

地址:辽宁省大连经济技术开发区现代城3栋-13-13号

在线客服系统