轴承专区
Bearings Center
53318轴承-SKF 53318轴承尺寸、图纸、价格
SKF 53318轴承
| 产品名称: | 53318轴承 | 品牌: | SKF |
|---|---|---|---|
| 类型: | SKF轴承 > 滚动轴承 > 推力球轴承 | ||
| 描述: | 53318轴承是【SKF轴承 > 滚动轴承 > 推力球轴承】的型号,主要用在通用电动机、差速器小齿轮轴、挖土机履带轮、小齿轮轴、各类产业用减速机、机床等的变速装置、轧钢机轧制螺杆用减速机、纺织、工程船舶、刮泥机等各大领域 | ||
电话/微信:138-8949-5179
SKF 53318轴承详细信息
53318轴承是【SKF轴承 > 滚动轴承 > 推力球轴承】的型号,主要用在通用电动机、差速器小齿轮轴、挖土机履带轮、小齿轮轴、各类产业用减速机、机床等的变速装置、轧钢机轧制螺杆用减速机、纺织、工程船舶、刮泥机等各大领域。
SKF 53318轴承详细参数
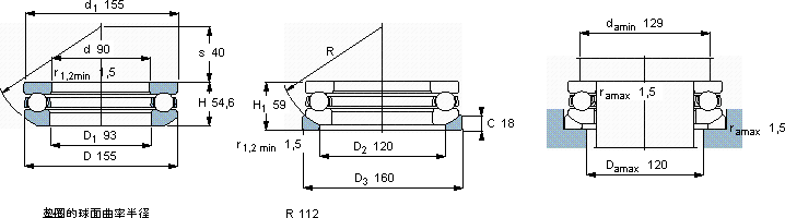
| 推力球轴承, 单向,带球面轴承座垫圈 | ||||||||||||
| 主要数据尺寸 | 基本负荷额定值 | 疲劳负荷限值 | 最小负荷系数 | 额定速度 | 体积 | 型号 | ||||||
| 动态 | 静态 | 参照速度 | 限制速度 | 轴承 +垫圈 | 轴承 | 基座垫圈 | ||||||
| d | D | H1 | C | C0 | Pu | A | ||||||
| mm | kN | kN | - | r/min | kg | - | ||||||
| 90 | 155 | 59 | 195 | 500 | 16,6 | 1,3 | 1500 | 2200 | 4,70 | 53318 | U 318 | |
SKF 53318轴承尺寸图纸

