轴承专区
Bearings Center
OH 3960 H轴承-SKF OH 3960 H轴承尺寸、图纸、价格
SKF OH 3960 H轴承
| 产品名称: | OH 3960 H轴承 | 品牌: | SKF |
|---|---|---|---|
| 类型: | SKF轴承 > 滚动轴承 > 轴承附件 | ||
| 描述: | OH 3960 H轴承是【SKF轴承 > 滚动轴承 > 轴承附件】的型号,主要用在燃汽轮机、印刷机械、挖土机履带轮、轧钢机辊颈、印刷机械、石油钻机转环、电机厂、啤酒、轻工机械、数控设备等各大领域 | ||
电话/微信:138-8949-5179
SKF OH 3960 H轴承详细信息
OH 3960 H轴承是【SKF轴承 > 滚动轴承 > 轴承附件】的型号,主要用在燃汽轮机、印刷机械、挖土机履带轮、轧钢机辊颈、印刷机械、石油钻机转环、电机厂、啤酒、轻工机械、数控设备等各大领域。
SKF OH 3960 H轴承详细参数
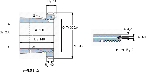
| 紧定套 | ||||||||||
| 尺寸 | 体积 | 型号 | ||||||||
| 紧定轴套带螺母 | 锁定螺母 | 锁定装置 | 适宜的液压 | |||||||
| d1 | d | d3 | B1 | G | 和锁紧装置 | 螺母 | ||||
| mm | kg | - | ||||||||
| 280 | 300 | 360 | 140 | Tr 300x4 | 20,0 | OH 3960 H | HM 3060 | MS 3060 | HMV 60 E | |
SKF OH 3960 H轴承尺寸图纸

