李工:138-8949-5179 刘工:135-0428-8802
型号查询
轴承型号   常见搜索: 6014轴承 6017轴承 6205轴承 71913轴承 7014轴承 2026轴承
型号查询 X

轴承专区

Bearings Center

OH 3060 H轴承-SKF OH 3060 H轴承尺寸、图纸、价格

SKF OH 3060 H轴承

产品名称:OH 3060 H轴承 品牌:SKF
类型:SKF轴承 > 滚动轴承 > 轴承附件
描述:OH 3060 H轴承是【SKF轴承 > 滚动轴承 > 轴承附件】的型号,主要用在飞机喷气式发动机、燃料喷射泵、泵、齿轮减速装置、振动筛、起重机吊钩、燃机、烟草机械、专用车、厨具设备等各大领域

 电话/微信:138-8949-5179

SKF OH 3060 H轴承详细信息

OH 3060 H轴承是【SKF轴承 > 滚动轴承 > 轴承附件】的型号,主要用在飞机喷气式发动机、燃料喷射泵、泵、齿轮减速装置、振动筛、起重机吊钩、燃机、烟草机械、专用车、厨具设备等各大领域。

SKF OH 3060 H轴承详细参数

紧定套
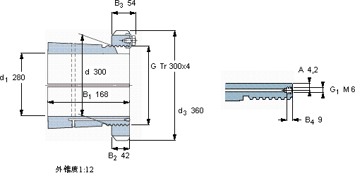
尺寸体积型号
紧定轴套带螺母锁定螺母锁定装置适宜的液压
d1dd3B1G和锁紧装置螺母
mmkg-
280300360168Tr 300x420,5OH 3060 HHM 3060MS 3060HMV 60 E

SKF OH 3060 H轴承尺寸图纸

李工:138-8949-5179

刘工:135-0428-8802

地址:辽宁省大连经济技术开发区现代城3栋-13-13号

在线客服系统