李工:138-8949-5179 刘工:135-0428-8802
型号查询
轴承型号   常见搜索: 6214轴承 6012轴承 6205轴承 6011轴承 6002轴承 6010轴承
型号查询 X

轴承专区

Bearings Center

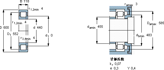
NUP 3988 ECM轴承-SKF NUP 3988 ECM轴承尺寸、图纸、价格

SKF NUP 3988 ECM轴承

产品名称:NUP 3988 ECM轴承 品牌:SKF
类型:SKF轴承 > 滚动轴承 > 圆柱滚子轴承
描述:NUP 3988 ECM轴承是【SKF轴承 > 滚动轴承 > 圆柱滚子轴承】的型号,主要用在铁路车辆、小型汽车前轮、发电机、差速器、铁路车辆车轴、耕耘机、冶炼厂、啤酒、地基处理机械、正面吊等各大领域

 电话/微信:138-8949-5179

SKF NUP 3988 ECM轴承详细信息

NUP 3988 ECM轴承是【SKF轴承 > 滚动轴承 > 圆柱滚子轴承】的型号,主要用在铁路车辆、小型汽车前轮、发电机、差速器、铁路车辆车轴、耕耘机、冶炼厂、啤酒、地基处理机械、正面吊等各大领域。

SKF NUP 3988 ECM轴承详细参数

圆柱滚子轴承, 单列, NUP 设计
主要数据尺寸基本负荷额定值疲劳负荷限值额定速度体积型号适宜的斜挡圈
动态静态参照速度限制速度型号
dDBCC0Pu
mmkNkNr/minkg--
440600118198042503559001100105NUP 3988 ECM-

SKF NUP 3988 ECM轴承尺寸图纸

李工:138-8949-5179

刘工:135-0428-8802

地址:辽宁省大连经济技术开发区现代城3栋-13-13号

在线客服系统