轴承专区
Bearings Center
2 x 7302 BECBP轴承-SKF 2 x 7302 BECBP轴承尺寸、图纸、价格
SKF 2 x 7302 BECBP轴承
| 产品名称: | 2 x 7302 BECBP轴承 | 品牌: | SKF |
|---|---|---|---|
| 类型: | SKF轴承 > 滚动轴承 > 角接触球轴承 | ||
| 描述: | 2 x 7302 BECBP轴承是【SKF轴承 > 滚动轴承 > 角接触球轴承】的型号,主要用在家用电器、空气压缩机、挖土机履带轮、大型农业机械、铁路车辆车轴、汽车转向销、塔吊、精细化工机械、掘进机、雷达等各大领域 | ||
电话/微信:138-8949-5179
SKF 2 x 7302 BECBP轴承详细信息
2 x 7302 BECBP轴承是【SKF轴承 > 滚动轴承 > 角接触球轴承】的型号,主要用在家用电器、空气压缩机、挖土机履带轮、大型农业机械、铁路车辆车轴、汽车转向销、塔吊、精细化工机械、掘进机、雷达等各大领域。
SKF 2 x 7302 BECBP轴承详细参数
| 角接触球轴承, 单列,用于配对安装, 面对面配对 | |||||||||||
| 主要数据尺寸 | 基本负荷额定值 | 疲劳负荷限值 | 额定速度 | 体积 | 型号 | 轴承配对 | |||||
| 动态 | 静态 | 参照速度 | 限制速度 | ||||||||
| d | D | 2B | C | C0 | Pu | ||||||
| mm | kN | kN | r/min | kg | - | - | |||||
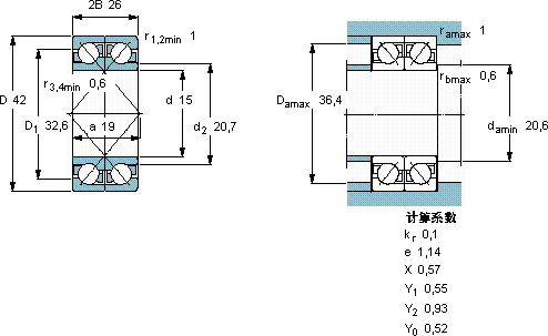
| 15 | 42 | 26 | 21,2 | 13,4 | 0,56 | 16000 | 20000 | 0,16 | 2 × 7302 BECBP | DF | |
SKF 2 x 7302 BECBP轴承尺寸图纸

