李工:138-8949-5179 刘工:135-0428-8802
型号查询
轴承型号   常见搜索: 6001轴承 6906轴承 2025轴承 6006轴承 6205轴承 6008轴承
型号查询 X

轴承专区

Bearings Center

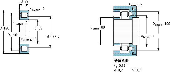
NUP 311 ECJ *轴承-SKF NUP 311 ECJ *轴承尺寸、图纸、价格

SKF NUP 311 ECJ *轴承

产品名称:NUP 311 ECJ *轴承 品牌:SKF
类型:SKF轴承 > 滚动轴承 > 圆柱滚子轴承
描述:NUP 311 ECJ *轴承是【SKF轴承 > 滚动轴承 > 圆柱滚子轴承】的型号,主要用在内燃机、空气压缩机、发电机、大型农业机械、木工机械、汽车转向销、挤压机、啤酒、掘进机、数控设备等各大领域

 电话/微信:138-8949-5179

SKF NUP 311 ECJ *轴承详细信息

NUP 311 ECJ *轴承是【SKF轴承 > 滚动轴承 > 圆柱滚子轴承】的型号,主要用在内燃机、空气压缩机、发电机、大型农业机械、木工机械、汽车转向销、挤压机、啤酒、掘进机、数控设备等各大领域。

SKF NUP 311 ECJ *轴承详细参数

圆柱滚子轴承, 单列, NUP 设计
主要数据尺寸基本负荷额定值疲劳负荷限值额定速度体积型号适宜的斜挡圈
动态静态参照速度限制速度型号
dDBCC0Pu * - SKF Explorer 轴承
mmkNkNr/minkg--
551202915614318,6600070001,55NUP 311 ECJ *-

SKF NUP 311 ECJ *轴承尺寸图纸

李工:138-8949-5179

刘工:135-0428-8802

地址:辽宁省大连经济技术开发区现代城3栋-13-13号

在线客服系统