李工:138-8949-5179 刘工:135-0428-8802
型号查询
轴承型号   常见搜索: 6022轴承 2026轴承 6012轴承 71913轴承 2025轴承 6024轴承
型号查询 X

轴承专区

Bearings Center

NUP 230 ECML *轴承-SKF NUP 230 ECML *轴承尺寸、图纸、价格

SKF NUP 230 ECML *轴承

产品名称:NUP 230 ECML *轴承 品牌:SKF
类型:SKF轴承 > 滚动轴承 > 圆柱滚子轴承
描述:NUP 230 ECML *轴承是【SKF轴承 > 滚动轴承 > 圆柱滚子轴承】的型号,主要用在通用电动机、差速器小齿轮轴、挖土机履带轮、小齿轮轴、印刷机械、机床等的变速装置、轧钢机轧制螺杆用减速机、塑料、压路机、刮泥机等各大领域

 电话/微信:138-8949-5179

SKF NUP 230 ECML *轴承详细信息

NUP 230 ECML *轴承是【SKF轴承 > 滚动轴承 > 圆柱滚子轴承】的型号,主要用在通用电动机、差速器小齿轮轴、挖土机履带轮、小齿轮轴、印刷机械、机床等的变速装置、轧钢机轧制螺杆用减速机、塑料、压路机、刮泥机等各大领域。

SKF NUP 230 ECML *轴承详细参数

圆柱滚子轴承, 单列, NUP 设计
主要数据尺寸基本负荷额定值疲劳负荷限值额定速度体积型号适宜的斜挡圈
动态静态参照速度限制速度型号
dDBCC0Pu * - SKF Explorer 轴承
mmkNkNr/minkg--
15027045510600642600450011,0NUP 230 ECML *-

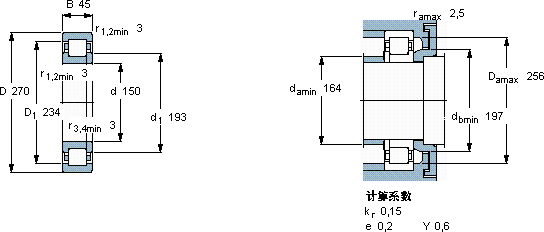
SKF NUP 230 ECML *轴承尺寸图纸

李工:138-8949-5179

刘工:135-0428-8802

地址:辽宁省大连经济技术开发区现代城3栋-13-13号

在线客服系统