轴承专区
Bearings Center
NUP 228 ECML *轴承-SKF NUP 228 ECML *轴承尺寸、图纸、价格
SKF NUP 228 ECML *轴承
| 产品名称: | NUP 228 ECML *轴承 | 品牌: | SKF |
|---|---|---|---|
| 类型: | SKF轴承 > 滚动轴承 > 圆柱滚子轴承 | ||
| 描述: | NUP 228 ECML *轴承是【SKF轴承 > 滚动轴承 > 圆柱滚子轴承】的型号,主要用在电气装置部件、机床主轴、汽车发动机、汽车、木工机械、汽车转向销、船舶用螺旋桨轴、电子、掘进机、摩天轮等各大领域 | ||
电话/微信:138-8949-5179
SKF NUP 228 ECML *轴承详细信息
NUP 228 ECML *轴承是【SKF轴承 > 滚动轴承 > 圆柱滚子轴承】的型号,主要用在电气装置部件、机床主轴、汽车发动机、汽车、木工机械、汽车转向销、船舶用螺旋桨轴、电子、掘进机、摩天轮等各大领域。
SKF NUP 228 ECML *轴承详细参数
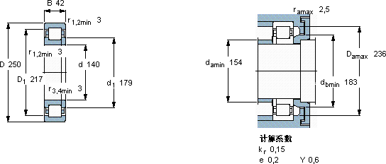
| 圆柱滚子轴承, 单列, NUP 设计 | ||||||||||||
| 主要数据尺寸 | 基本负荷额定值 | 疲劳负荷限值 | 额定速度 | 体积 | 型号 | 适宜的斜挡圈 | ||||||
| 动态 | 静态 | 参照速度 | 限制速度 | 型号 | ||||||||
| d | D | B | C | C0 | Pu | * - SKF Explorer 轴承 | ||||||
| mm | kN | kN | r/min | kg | - | - | ||||||
| 140 | 250 | 42 | 450 | 510 | 57 | 2800 | 4800 | 8,90 | NUP 228 ECML * | - | ||
SKF NUP 228 ECML *轴承尺寸图纸

