李工:138-8949-5179 刘工:135-0428-8802
型号查询
轴承型号   常见搜索: 32313轴承 688a轴承 7014轴承 2025轴承 6006轴承 6014轴承
型号查询 X

轴承专区

Bearings Center

NNU 6036 V轴承-SKF NNU 6036 V轴承尺寸、图纸、价格

SKF NNU 6036 V轴承

产品名称:NNU 6036 V轴承 品牌:SKF
类型:SKF轴承 > 滚动轴承 > 圆柱滚子轴承
描述:NNU 6036 V轴承是【SKF轴承 > 滚动轴承 > 圆柱滚子轴承】的型号,主要用在燃汽轮机、离心分离机、减速装置、变速器、印刷机械、制铁制钢机械、电机厂、饮料设备、起重机械、抓钢机等各大领域

 电话/微信:138-8949-5179

SKF NNU 6036 V轴承详细信息

NNU 6036 V轴承是【SKF轴承 > 滚动轴承 > 圆柱滚子轴承】的型号,主要用在燃汽轮机、离心分离机、减速装置、变速器、印刷机械、制铁制钢机械、电机厂、饮料设备、起重机械、抓钢机等各大领域。

SKF NNU 6036 V轴承详细参数

圆柱滚子轴承, 多列满装滚子
主要数据尺寸基本负荷额定值疲劳负荷限值额定速度体积型号
动态静态参照速度限制速度
dDBCC0Pu
mmkNkNr/minkg-
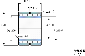
1802801801610430045534040045,5NNU 6036 V

SKF NNU 6036 V轴承尺寸图纸

李工:138-8949-5179

刘工:135-0428-8802

地址:辽宁省大连经济技术开发区现代城3栋-13-13号

在线客服系统