轴承专区
Bearings Center
R 8-2Z轴承-SKF R 8-2Z轴承尺寸、图纸、价格
SKF R 8-2Z轴承
| 产品名称: | R 8-2Z轴承 | 品牌: | SKF |
|---|---|---|---|
| 类型: | SKF轴承 > 滚动轴承 > 深沟球轴承 | ||
| 描述: | R 8-2Z轴承是【SKF轴承 > 滚动轴承 > 深沟球轴承】的型号,主要用在通用电动机、各类变速器、减速装置、铁路车辆、减速装置、机床主轴、轧钢机轧制螺杆用减速机、制鞋、混凝土机械、太阳能发电设备等各大领域 | ||
电话/微信:138-8949-5179
SKF R 8-2Z轴承详细信息
R 8-2Z轴承是【SKF轴承 > 滚动轴承 > 深沟球轴承】的型号,主要用在通用电动机、各类变速器、减速装置、铁路车辆、减速装置、机床主轴、轧钢机轧制螺杆用减速机、制鞋、混凝土机械、太阳能发电设备等各大领域。
SKF R 8-2Z轴承详细参数
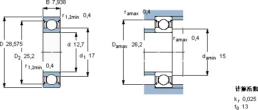
| 深沟球轴承, 单列, 两面防尘罩, 英制轴承 | |||||||||||
| 主要数据尺寸 | 基本负荷额定值 | 疲劳负荷限值 | 额定速度 | 体积 | 型号 | ||||||
| 动态 | 静态 | 参照速度 | 限制速度 | ||||||||
| d | D | B | C | C0 | Pu | ||||||
| mm | kN | kN | r/min | kg | - | ||||||
| 12,7 | 28,575 | 7,938 | 5,4 | 2,36 | 0,1 | 56000 | 28000 | 0,024 | R 8-2Z | 仅对售后市场 | |
SKF R 8-2Z轴承尺寸图纸

