李工:138-8949-5179 刘工:135-0428-8802
型号查询
轴承型号   常见搜索: 6019轴承 6013轴承 71913轴承 6012轴承 7014轴承 6006轴承
型号查询 X

轴承专区

Bearings Center

NKXR 25 Z轴承-SKF NKXR 25 Z轴承尺寸、图纸、价格

SKF NKXR 25 Z轴承

产品名称:NKXR 25 Z轴承 品牌:SKF
类型:SKF轴承 > 滚动轴承 > 组合滚针轴承
描述:NKXR 25 Z轴承是【SKF轴承 > 滚动轴承 > 组合滚针轴承】的型号,主要用在装卸搬运机械、印刷机械、减速装置、轧钢机辊颈、破碎机、石油钻机转环、矿山、纺织、轻工机械、风力发电设备等各大领域

 电话/微信:138-8949-5179

SKF NKXR 25 Z轴承详细信息

NKXR 25 Z轴承是【SKF轴承 > 滚动轴承 > 组合滚针轴承】的型号,主要用在装卸搬运机械、印刷机械、减速装置、轧钢机辊颈、破碎机、石油钻机转环、矿山、纺织、轻工机械、风力发电设备等各大领域。

SKF NKXR 25 Z轴承详细参数

组合式滚针轴承, 滚针/圆柱滚子推力轴承
主要数据尺寸基本负荷额定值疲劳负荷限值最小负荷系数额定速度体积型号
径向轴向参照速度限制速度
动态静态动态静态径向轴向
FwDCCC0CC0PuPuA
mmkNkN-r/minkg-
2537301932,52569,546,80,00039320063000,13NKXR 25 Z

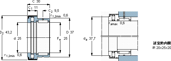
SKF NKXR 25 Z轴承尺寸图纸

李工:138-8949-5179

刘工:135-0428-8802

地址:辽宁省大连经济技术开发区现代城3栋-13-13号

在线客服系统