轴承专区
Bearings Center
NJ 2968 ECMA轴承-SKF NJ 2968 ECMA轴承尺寸、图纸、价格
SKF NJ 2968 ECMA轴承
| 产品名称: | NJ 2968 ECMA轴承 | 品牌: | SKF |
|---|---|---|---|
| 类型: | SKF轴承 > 滚动轴承 > 圆柱滚子轴承 | ||
| 描述: | NJ 2968 ECMA轴承是【SKF轴承 > 滚动轴承 > 圆柱滚子轴承】的型号,主要用在通用电动机、差速器小齿轮轴、泵、小齿轮轴、破碎机、机床等的变速装置、轧钢机轧制螺杆用减速机、陶瓷机械、工程船舶、刮泥机等各大领域 | ||
电话/微信:138-8949-5179
SKF NJ 2968 ECMA轴承详细信息
NJ 2968 ECMA轴承是【SKF轴承 > 滚动轴承 > 圆柱滚子轴承】的型号,主要用在通用电动机、差速器小齿轮轴、泵、小齿轮轴、破碎机、机床等的变速装置、轧钢机轧制螺杆用减速机、陶瓷机械、工程船舶、刮泥机等各大领域。
SKF NJ 2968 ECMA轴承详细参数
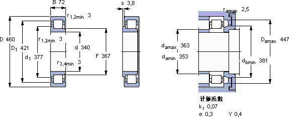
| 圆柱滚子轴承, 单列, NJ 设计 | ||||||||||||
| 主要数据尺寸 | 基本负荷额定值 | 疲劳负荷限值 | 额定速度 | 体积 | 型号 | 适宜的斜挡圈 | ||||||
| 动态 | 静态 | 参照速度 | 限制速度 | 型号 | ||||||||
| d | D | B | C | C0 | Pu | |||||||
| mm | kN | kN | r/min | kg | - | - | ||||||
| 340 | 460 | 72 | 1020 | 2040 | 190 | 1400 | 1900 | 37,0 | NJ 2968 ECMA | - | ||
SKF NJ 2968 ECMA轴承尺寸图纸

