轴承专区
Bearings Center
NJ 2310 ECML *轴承-SKF NJ 2310 ECML *轴承尺寸、图纸、价格
SKF NJ 2310 ECML *轴承
| 产品名称: | NJ 2310 ECML *轴承 | 品牌: | SKF |
|---|---|---|---|
| 类型: | SKF轴承 > 滚动轴承 > 圆柱滚子轴承 | ||
| 描述: | NJ 2310 ECML *轴承是【SKF轴承 > 滚动轴承 > 圆柱滚子轴承】的型号,主要用在燃汽轮机、罗茨鼓风机、汽车发动机、建筑机械、各类产业用减速机、石油钻机转环、电机厂、医药设备、凿岩机械、码垛机器人等各大领域 | ||
电话/微信:138-8949-5179
SKF NJ 2310 ECML *轴承详细信息
NJ 2310 ECML *轴承是【SKF轴承 > 滚动轴承 > 圆柱滚子轴承】的型号,主要用在燃汽轮机、罗茨鼓风机、汽车发动机、建筑机械、各类产业用减速机、石油钻机转环、电机厂、医药设备、凿岩机械、码垛机器人等各大领域。
SKF NJ 2310 ECML *轴承详细参数
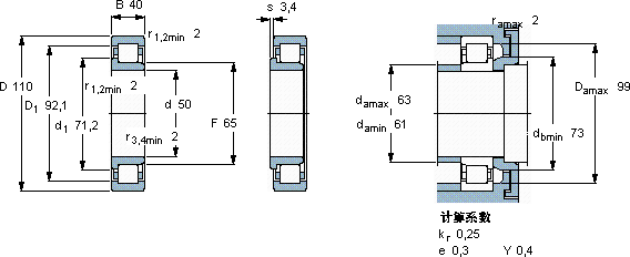
| 圆柱滚子轴承, 单列, NJ 设计 | ||||||||||||
| 主要数据尺寸 | 基本负荷额定值 | 疲劳负荷限值 | 额定速度 | 体积 | 型号 | 适宜的斜挡圈 | ||||||
| 动态 | 静态 | 参照速度 | 限制速度 | 型号 | ||||||||
| d | D | B | C | C0 | Pu | * - SKF Explorer 轴承 | ||||||
| mm | kN | kN | r/min | kg | - | - | ||||||
| 50 | 110 | 40 | 186 | 186 | 24,5 | 6700 | 12000 | 2,05 | NJ 2310 ECML * | - | ||
SKF NJ 2310 ECML *轴承尺寸图纸

