轴承专区
Bearings Center
2219 KM + H 319轴承-SKF 2219 KM + H 319轴承尺寸、图纸、价格
SKF 2219 KM + H 319轴承
| 产品名称: | 2219 KM + H 319轴承 | 品牌: | SKF |
|---|---|---|---|
| 类型: | SKF轴承 > 滚动轴承 > 自调心球轴承 | ||
| 描述: | 2219 KM + H 319轴承是【SKF轴承 > 滚动轴承 > 自调心球轴承】的型号,主要用在电气装置部件、燃料喷射泵、桥式起重机、齿轮减速装置、振动筛、石油钻机、船舶用螺旋桨轴、玩具、给料机械、伽玛等各大领域 | ||
电话/微信:138-8949-5179
SKF 2219 KM + H 319轴承详细信息
2219 KM + H 319轴承是【SKF轴承 > 滚动轴承 > 自调心球轴承】的型号,主要用在电气装置部件、燃料喷射泵、桥式起重机、齿轮减速装置、振动筛、石油钻机、船舶用螺旋桨轴、玩具、给料机械、伽玛等各大领域。
SKF 2219 KM + H 319轴承详细参数
| 自调心球轴承, 带紧定套, 无密封件 | ||||||||||
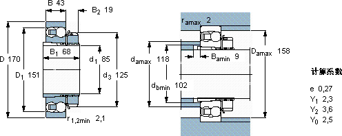
| 主要数据尺寸 | 基本负荷额定值 | 疲劳负荷限值 | 额定速度 | 体积 | 型号 | |||||
| 动态 | 静态 | 参照速度 | 限制速度 | 轴承 + 紧定套 | ||||||
| d1 | D | B | C | C0 | Pu | |||||
| mm | kN | kN | r/min | kg | - | |||||
| 85 | 170 | 43 | 83,2 | 34,5 | 1,53 | 7000 | 5000 | 5,30 | 2219 KM + H 319 | |
SKF 2219 KM + H 319轴承尺寸图纸

