轴承专区
Bearings Center
BTW 190 CM/SP轴承-SKF BTW 190 CM/SP轴承尺寸、图纸、价格
SKF BTW 190 CM/SP轴承
| 产品名称: | BTW 190 CM/SP轴承 | 品牌: | SKF |
|---|---|---|---|
| 类型: | SKF轴承 > 超高精密轴承 > Double direction angular contact thrust ball bearings in the BTW series | ||
| 描述: | BTW 190 CM/SP轴承是【SKF轴承 > 超高精密轴承 > Double direction angular contact thrust ball bearings in the BTW series】的型号,主要用在飞机喷气式发动机、燃料喷射泵、压缩机、齿轮减速装置、造纸机械、石油钻机、燃机、医药设备、给料机械、厨具设备等各大领域 | ||
电话/微信:138-8949-5179
SKF BTW 190 CM/SP轴承详细信息
BTW 190 CM/SP轴承是【SKF轴承 > 超高精密轴承 > Double direction angular contact thrust ball bearings in the BTW series】的型号,主要用在飞机喷气式发动机、燃料喷射泵、压缩机、齿轮减速装置、造纸机械、石油钻机、燃机、医药设备、给料机械、厨具设备等各大领域。
SKF BTW 190 CM/SP轴承详细参数
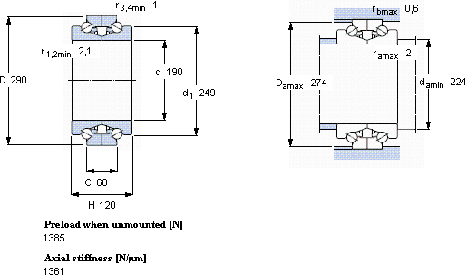
| 主要数据尺寸 | 基本负荷额定值 | 疲劳负荷限值 | 可达到的速度 | 体积 | 型号 | ||||||
| 动态 | 静态 | 疲劳负荷限值 | 当润滑与 | ||||||||
| 疲劳负荷限值 | 油脂 | 滴油润滑 | |||||||||
| d | D | H | C | C | C0 | Pu | |||||
| mm | kN | kN | r/min | kg | - | ||||||
| 190 | 290 | 120 | 60 | 203 | 735 | 22,8 | 2000 | 2600 | 24,0 | BTW 190 CM/SP | |
SKF BTW 190 CM/SP轴承尺寸图纸

