轴承专区
Bearings Center
FY 2.7/16 WF轴承-SKF FY 2.7/16 WF轴承尺寸、图纸、价格
SKF FY 2.7/16 WF轴承
| 产品名称: | FY 2.7/16 WF轴承 | 品牌: | SKF |
|---|---|---|---|
| 类型: | SKF轴承 > 轴承单元 > Y-轴承法兰单元 | ||
| 描述: | FY 2.7/16 WF轴承是【SKF轴承 > 轴承单元 > Y-轴承法兰单元】的型号,主要用在家用电器、空气压缩机、木工机械、大型农业机械、铁路车辆车轴、汽车转向销、塔吊、玩具、掘进机、雷达等各大领域 | ||
电话/微信:138-8949-5179
SKF FY 2.7/16 WF轴承详细信息
FY 2.7/16 WF轴承是【SKF轴承 > 轴承单元 > Y-轴承法兰单元】的型号,主要用在家用电器、空气压缩机、木工机械、大型农业机械、铁路车辆车轴、汽车转向销、塔吊、玩具、掘进机、雷达等各大领域。
SKF FY 2.7/16 WF轴承详细参数
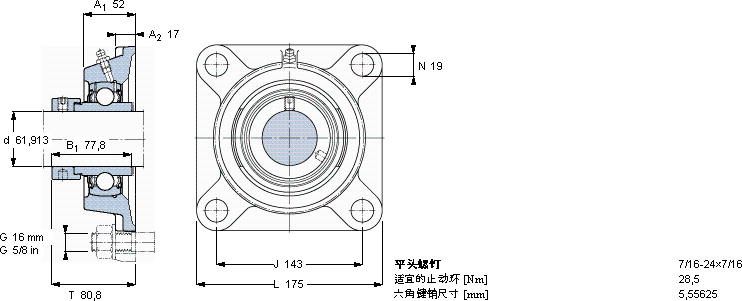
| Y-型轴承带法兰单元, 方形铸造轴承座,偏心锁定轴环, 英制轴承 | ||||||||||||
| 尺寸 | 基本负荷额定值 | 限制速度 | 质量 | 型号 | ||||||||
| 动态 | 静态 | 轴承单元 | 轴承座 | 轴承 | ||||||||
| d | A1 | J | L | T | C | C0 | 带轴公差h6 | |||||
| mm | kN | r/min | kg | - | ||||||||
| 61,913 | 52 | 143 | 175 | 80,8 | 52,7 | 36 | 3400 | 5,05 | FY 2.7/16 WF | FY 512 U | YEL 212-207-2F | |
SKF FY 2.7/16 WF轴承尺寸图纸

