轴承专区
Bearings Center
6201-2Z/VA201轴承-SKF 6201-2Z/VA201轴承尺寸、图纸、价格
SKF 6201-2Z/VA201轴承
| 产品名称: | 6201-2Z/VA201轴承 | 品牌: | SKF |
|---|---|---|---|
| 类型: | SKF轴承 > 滚动轴承 > 深沟球轴承 | ||
| 描述: | 6201-2Z/VA201轴承是【SKF轴承 > 滚动轴承 > 深沟球轴承】的型号,主要用在建筑机械、印刷机械、压缩机、轧钢机辊颈、轧钢机齿轮箱座、石油钻机转环、成形机、陶瓷机械、凿岩机械、焊接机器人等各大领域 | ||
电话/微信:138-8949-5179
SKF 6201-2Z/VA201轴承详细信息
6201-2Z/VA201轴承是【SKF轴承 > 滚动轴承 > 深沟球轴承】的型号,主要用在建筑机械、印刷机械、压缩机、轧钢机辊颈、轧钢机齿轮箱座、石油钻机转环、成形机、陶瓷机械、凿岩机械、焊接机器人等各大领域。
SKF 6201-2Z/VA201轴承详细参数
| 深沟球轴承, 用于高温的深沟球轴承, 两面防尘罩 | ||||||||
| 主要数据尺寸 | 基本负荷额定值 | 径向内部游隙 | 体积 | 型号 | ||||
| 静态 | ||||||||
| d | D | B | C0 | 最小 | 最大 | |||
| mm | kN | μm | kg | - | ||||
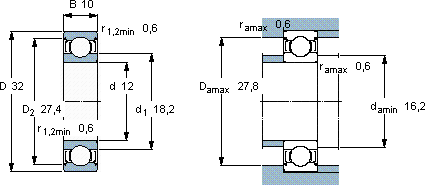
| 12 | 32 | 10 | 3,1 | 100 | 180 | 0,037 | 6201-2Z/VA201 | |
SKF 6201-2Z/VA201轴承尺寸图纸

