李工:138-8949-5179 刘工:135-0428-8802
型号查询
轴承型号   常见搜索: 6026轴承 6018轴承 6028轴承 6009轴承 6017轴承 6012轴承
型号查询 X

轴承专区

Bearings Center

NJ 1984 ECMA轴承-SKF NJ 1984 ECMA轴承尺寸、图纸、价格

SKF NJ 1984 ECMA轴承

产品名称:NJ 1984 ECMA轴承 品牌:SKF
类型:SKF轴承 > 滚动轴承 > 圆柱滚子轴承
描述:NJ 1984 ECMA轴承是【SKF轴承 > 滚动轴承 > 圆柱滚子轴承】的型号,主要用在各种产业机械、差速器小齿轮轴、减速装置、小齿轮轴、减速装置、机床主轴、发电厂、塑料、挖掘机、雷达等各大领域

 电话/微信:138-8949-5179

SKF NJ 1984 ECMA轴承详细信息

NJ 1984 ECMA轴承是【SKF轴承 > 滚动轴承 > 圆柱滚子轴承】的型号,主要用在各种产业机械、差速器小齿轮轴、减速装置、小齿轮轴、减速装置、机床主轴、发电厂、塑料、挖掘机、雷达等各大领域。

SKF NJ 1984 ECMA轴承详细参数

圆柱滚子轴承, 单列, NJ 设计
主要数据尺寸基本负荷额定值疲劳负荷限值额定速度体积型号适宜的斜挡圈
动态静态参照速度限制速度型号
dDBCC0Pu
mmkNkNr/minkg--
4205606596818001561100150048,0NJ 1984 ECMA-

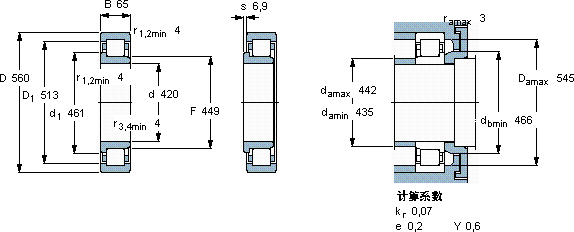
SKF NJ 1984 ECMA轴承尺寸图纸

李工:138-8949-5179

刘工:135-0428-8802

地址:辽宁省大连经济技术开发区现代城3栋-13-13号

在线客服系统