李工:138-8949-5179 刘工:135-0428-8802
型号查询
轴承型号   常见搜索: 6007轴承 6013轴承 6016轴承 71913轴承 6900轴承 6012轴承
型号查询 X

轴承专区

Bearings Center

NJ 1940 ECMP轴承-SKF NJ 1940 ECMP轴承尺寸、图纸、价格

SKF NJ 1940 ECMP轴承

产品名称:NJ 1940 ECMP轴承 品牌:SKF
类型:SKF轴承 > 滚动轴承 > 圆柱滚子轴承
描述:NJ 1940 ECMP轴承是【SKF轴承 > 滚动轴承 > 圆柱滚子轴承】的型号,主要用在装卸搬运机械、各类变速器、变速器、铁路车辆、轧钢机齿轮箱座、机床主轴、矿山、洗染、挖掘机、摩天轮等各大领域

 电话/微信:138-8949-5179

SKF NJ 1940 ECMP轴承详细信息

NJ 1940 ECMP轴承是【SKF轴承 > 滚动轴承 > 圆柱滚子轴承】的型号,主要用在装卸搬运机械、各类变速器、变速器、铁路车辆、轧钢机齿轮箱座、机床主轴、矿山、洗染、挖掘机、摩天轮等各大领域。

SKF NJ 1940 ECMP轴承详细参数

圆柱滚子轴承, 单列, NJ 设计
主要数据尺寸基本负荷额定值疲劳负荷限值额定速度体积型号适宜的斜挡圈
动态静态参照速度限制速度型号
dDBCC0Pu
mmkNkNr/minkg--
2002803834154055260038007,40NJ 1940 ECMP-

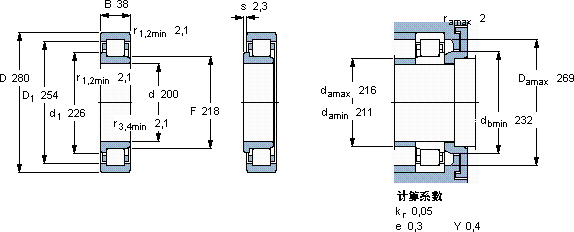
SKF NJ 1940 ECMP轴承尺寸图纸

李工:138-8949-5179

刘工:135-0428-8802

地址:辽宁省大连经济技术开发区现代城3栋-13-13号

在线客服系统