轴承专区
Bearings Center
HMV 58E轴承-SKF HMV 58E轴承尺寸、图纸、价格
SKF HMV 58E轴承
| 产品名称: | HMV 58E轴承 | 品牌: | SKF |
|---|---|---|---|
| 类型: | SKF轴承 > 滚动轴承 > 轴承附件 | ||
| 描述: | HMV 58E轴承是【SKF轴承 > 滚动轴承 > 轴承附件】的型号,主要用在电气装置部件、燃汽轮机、提升机、后轮、木工机械、起重机吊钩、船舶用螺旋桨轴、破碎、强夯机、风力发电设备等各大领域 | ||
电话/微信:138-8949-5179
SKF HMV 58E轴承详细信息
HMV 58E轴承是【SKF轴承 > 滚动轴承 > 轴承附件】的型号,主要用在电气装置部件、燃汽轮机、提升机、后轮、木工机械、起重机吊钩、船舶用螺旋桨轴、破碎、强夯机、风力发电设备等各大领域。
SKF HMV 58E轴承详细参数
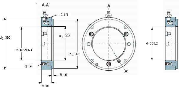
| Hydraulic nuts, metric sizes | ||||||||||||
| 螺纹尺寸 | 尺寸 | Permitted | Piston area | 体积 | 型号 | |||||||
| piston | ||||||||||||
| G | d1 | d2 | d3 | B | B1 | displacement | ||||||
| mm | mm (metric sizes) | mm | mm | mm2 (metric sizes) | kg | - | ||||||
| in - threads/in (inch sizes) | in2 (inch sizes) | |||||||||||
| 290 | Tr 290x4 | 292 | 375 | 390 | 49 | 9 | 13 | 22400 | 22,5 | HMV 58E | HMV 58E/A101 | |
SKF HMV 58E轴承尺寸图纸

