轴承专区
Bearings Center
NJ 18/560 ECMA6/343016轴承-SKF NJ 18/560 ECMA6/343016轴承尺寸、图纸、价格
SKF NJ 18/560 ECMA6/343016轴承
| 产品名称: | NJ 18/560 ECMA6/343016轴承 | 品牌: | SKF |
|---|---|---|---|
| 类型: | SKF轴承 > 滚动轴承 > 圆柱滚子轴承 | ||
| 描述: | NJ 18/560 ECMA6/343016轴承是【SKF轴承 > 滚动轴承 > 圆柱滚子轴承】的型号,主要用在农业机械、机床主轴、泵、汽车、振动筛、汽车转向销、钢铁厂、钟表、掘进机、太阳能发电设备等各大领域 | ||
电话/微信:138-8949-5179
SKF NJ 18/560 ECMA6/343016轴承详细信息
NJ 18/560 ECMA6/343016轴承是【SKF轴承 > 滚动轴承 > 圆柱滚子轴承】的型号,主要用在农业机械、机床主轴、泵、汽车、振动筛、汽车转向销、钢铁厂、钟表、掘进机、太阳能发电设备等各大领域。
SKF NJ 18/560 ECMA6/343016轴承详细参数
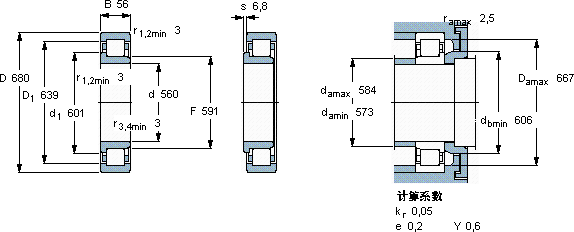
| 圆柱滚子轴承, 单列, NJ 设计 | ||||||||||||
| 主要数据尺寸 | 基本负荷额定值 | 疲劳负荷限值 | 额定速度 | 体积 | 型号 | 适宜的斜挡圈 | ||||||
| 动态 | 静态 | 参照速度 | 限制速度 | 型号 | ||||||||
| d | D | B | C | C0 | Pu | |||||||
| mm | kN | kN | r/min | kg | - | - | ||||||
| 560 | 680 | 56 | 809 | 1830 | 134 | 850 | 1100 | 44,5 | NJ 18/560 ECMA6/343016 | - | ||
SKF NJ 18/560 ECMA6/343016轴承尺寸图纸

