李工:138-8949-5179 刘工:135-0428-8802
型号查询
轴承型号   常见搜索: 71913轴承 6028轴承 22222轴承 6007轴承 6024轴承 2026轴承
型号查询 X

轴承专区

Bearings Center

NA 2200.2RS轴承-SKF NA 2200.2RS轴承尺寸、图纸、价格

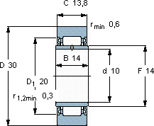
SKF NA 2200.2RS轴承

产品名称:NA 2200.2RS轴承 品牌:SKF
类型:SKF轴承 > 滚动轴承 > 滚轮轴承
描述:NA 2200.2RS轴承是【SKF轴承 > 滚动轴承 > 滚轮轴承】的型号,主要用在变速器、高频马达、桥式起重机、前轮、印刷机械、机床等的变速装置、立式电动机、制鞋、工程船舶、正面吊等各大领域

 电话/微信:138-8949-5179

SKF NA 2200.2RS轴承详细信息

NA 2200.2RS轴承是【SKF轴承 > 滚动轴承 > 滚轮轴承】的型号,主要用在变速器、高频马达、桥式起重机、前轮、印刷机械、机床等的变速装置、立式电动机、制鞋、工程船舶、正面吊等各大领域。

SKF NA 2200.2RS轴承详细参数

不带法兰圈支承滚子,有内圈
尺寸基本负荷额定值疲劳限值最大径向负荷限制速度体积型号
动态静态动态静态
DdCCC0PuFrF0r
mmkNkNkNr/minkg-
301013,86,447,20,85121763000,06NA 2200.2RS

SKF NA 2200.2RS轴承尺寸图纸

李工:138-8949-5179

刘工:135-0428-8802

地址:辽宁省大连经济技术开发区现代城3栋-13-13号

在线客服系统