李工:138-8949-5179 刘工:135-0428-8802
型号查询
轴承型号   常见搜索: 6006轴承 6304轴承 6017轴承 6022轴承 6909轴承 7014轴承
型号查询 X

轴承专区

Bearings Center

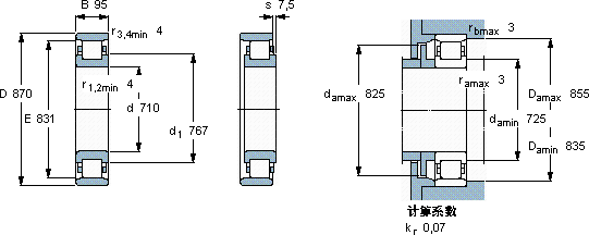
N 28/710 ECMB轴承-SKF N 28/710 ECMB轴承尺寸、图纸、价格

SKF N 28/710 ECMB轴承

产品名称:N 28/710 ECMB轴承 品牌:SKF
类型:SKF轴承 > 滚动轴承 > 圆柱滚子轴承
描述:N 28/710 ECMB轴承是【SKF轴承 > 滚动轴承 > 圆柱滚子轴承】的型号,主要用在后轮、燃料喷射泵、中型及大型电动机、齿轮减速装置、铁路车辆车轴、起重机吊钩、水力发电机、精细化工机械、强夯机、泥炮等各大领域

 电话/微信:138-8949-5179

SKF N 28/710 ECMB轴承详细信息

N 28/710 ECMB轴承是【SKF轴承 > 滚动轴承 > 圆柱滚子轴承】的型号,主要用在后轮、燃料喷射泵、中型及大型电动机、齿轮减速装置、铁路车辆车轴、起重机吊钩、水力发电机、精细化工机械、强夯机、泥炮等各大领域。

SKF N 28/710 ECMB轴承详细参数

圆柱滚子轴承, 单列, N 设计
主要数据尺寸基本负荷额定值疲劳负荷限值额定速度体积型号适宜的斜挡圈
动态静态参照速度限制速度型号
dDBCC0Pu
mmkNkNr/minkg--
7108709519405000365630850130N 28/710 ECMB-

SKF N 28/710 ECMB轴承尺寸图纸

李工:138-8949-5179

刘工:135-0428-8802

地址:辽宁省大连经济技术开发区现代城3栋-13-13号

在线客服系统